

Features:
* 12/24 VDC rated input
* Built-in integrated driver PCB
* PWM input speed control
* High efficiency three-phase brushless DC motor
* Environmentally friendly materials
Advantages:
* The aluminum base has fast heat dissipation
* Dust-proof
* High speed
* Waterproof
* High reliability
* Low inertia
* Air cushion machine
* Pressure bed
* Lampblack exhaust system
* 3D Printer
* Medical equipment
* High voltage low noise applications
The MOOG AMP45 12V/24V 80mm Blower is a high-performance DC blower featuring DC voltage design and an integrated drive module. With a user-friendly operation design, it can be quickly started by simply connecting an external power cord, eliminating complex setup procedures that often plague traditional blowers. Its innovative cavity structure adopts a separate design for the airflow channel and motor, creating a physical barrier that effectively isolates water vapor, dust, and even small particulate impurities. Boasting excellent waterproof and moisture-proof performance (compliant with relevant IP protection standards), this blower ensures the motor's long-term stable operation and durability even in harsh working environments such as high-humidity workshops, dusty industrial sites, or outdoor exposed scenarios.
Despite its compact body (80mm specification), the product delivers impressive high air pressure output through optimized fan blade design and precision motor calibration. This compact form factor allows it to flexibly meet installation requirements in narrow spaces, such as inside compact industrial control cabinets, miniaturized medical devices, or electronic equipment with dense internal components. To adapt to diverse scenario needs, it offers two air inlet options-short nozzle and long nozzle. The short nozzle is ideal for scenarios requiring concentrated airflow, while the long nozzle excels in long-distance air transmission, enabling targeted airflow optimization for different application conditions and further enhancing the product's versatility.
We are committed to providing customers with comprehensive customized services and solutions tailored to their unique needs. Beyond basic parameter adjustment and special specification design, our professional technical team also offers in-depth complex application integration support-from pre-sales scenario analysis and product选型 guidance to in-sales installation debugging and post-sales maintenance training. This full-cycle service system is designed to facilitate the efficient implementation of your projects and solve potential problems in advance. Centered on reliable quality and flexible services, the TKFAN-BA8050-A Integrated Blower is dedicated to delivering long-lasting and stable power support for fields such as industrial equipment, electronic heat dissipation, and medical instruments. Feel free to consult us at any time to obtain exclusive technical support and cooperation plans tailored to your business needs!
SHENZHEN TENKAI GROUP LIMITED is a leading professional manufacturer of high-end cooling fans and blowers in China, with years of rich experience in R&D, production, and global supply. Our production base is equipped with advanced manufacturing equipment and strict quality control systems, ensuring that every product leaving the factory meets international quality standards. We focus on providing precise, efficient, and low-noise cooling solutions for global customers, serving industries such as automotive electronics, aerospace, new energy, and medical equipment, and have gained widespread recognition and trust from customers worldwide.
Choose TKFAN, and let professionalism and innovation empower your products!
1. Technical Data
|
Modle |
P/N Code |
Voltage |
Current |
Speed |
Air Pressure |
Air Flow |
Noise |
|
Part NO. |
A |
VDC |
A |
Rpm |
Pa |
I/min |
dB-A |
|
BA8050H12B |
12 |
7.5 |
37000 |
10530 |
572 |
77.1 |
|
|
BA8050H24B |
24 |
6.5 |
52000 |
13345 |
733 |
80.1 |
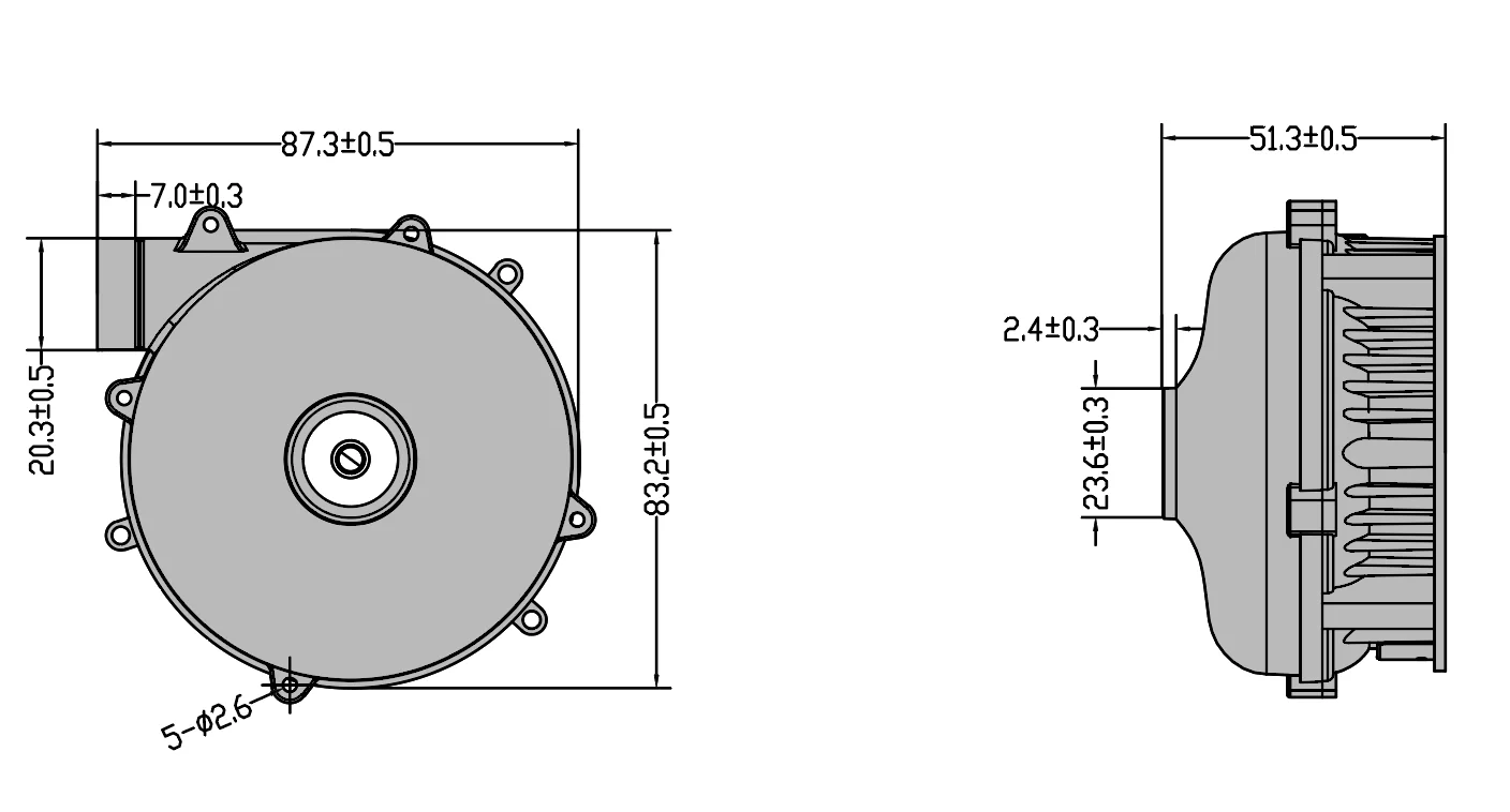
2 .Mechanical Structure Diagram



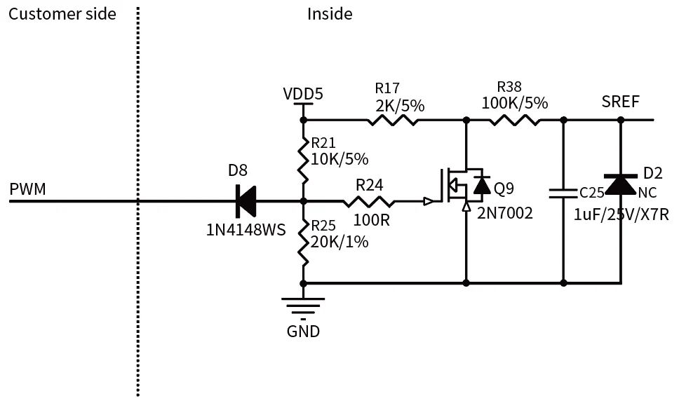
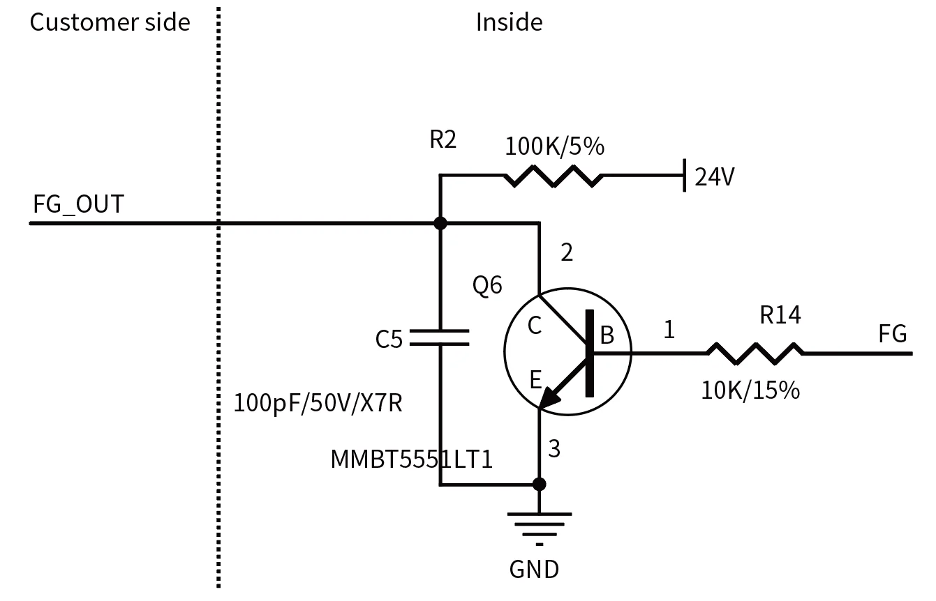
3. Electrical Connection Diagram

|
Wire mode |
Wire Number |
Colour |
Function |
|
UL 1332#18AWG |
1 |
Black |
- |
|
2 |
Red |
+ |
|
|
3 |
Yellow |
FG |
|
|
4 |
Blue |
PWM |
4 .P-Q Data and Curve
4.1.1 BA8050H12B PQ Curve

4.1.2 BA8050H12V PQ Data
|
NO. |
mmAq |
CFM |
A |
Watt |
|
1 |
1053 |
-0.02 |
3.92 |
47.1 |
|
2 |
909 |
3.45 |
5.5 |
66 |
|
3 |
755.5 |
6.71 |
6.62 |
79.4 |
|
4 |
578 |
10.87 |
7.57 |
90.8 |
|
5 |
429 |
13.48 |
7.94 |
95.2 |
|
6 |
323 |
14.88 |
7.6 |
91.2 |
|
7 |
244.5 |
16.06 |
7.53 |
90.4 |
|
8 |
0 |
20.22 |
7.37 |
88.4 |

|
NO.
|
mmAq
|
CFM
|
A
|
Watt
|
|
1
|
1334.5
|
-0.02
|
2.64
|
63.4
|
|
2
|
1277.75
|
4.3
|
4.26
|
102.3
|
|
3
|
169.75
|
8.24
|
5.2
|
124.9
|
|
4
|
802
|
13.1
|
5.82
|
139.7
|
|
5
|
604.5
|
16.06
|
6.08
|
145.9
|
|
6
|
463.5
|
18.28
|
6.21
|
148.9
|
|
7
|
361
|
19.92
|
6.29
|
150.9
|
|
8
|
0
|
25.93
|
6.44
|
154.7
|
5. PWM Curve




6 . FG Speed Feedback Diagram
6.1 Signal output diagram

6.2 Rotational speed frequency

7. Temperature Test Report
7.1 BA8050-12V Temperature Test Report

7.2 BA8050-24V Temperature Test Report

Advantages & Features
1. Compact Structure with High Output Efficiency
The AMP45 blower adopts an optimized compact design, which occupies a small installation space while delivering excellent air output performance. It is equipped with a high-efficiency motor and a scientifically designed fan blade structure (six-blade polypropylene fan), which can generate strong air flow and static pressure under rated operating conditions. This compact-high-output characteristic allows it to be flexibly installed in limited-space equipment or working areas, meeting the demand for high-intensity ventilation without occupying excessive space.
2. Explosion-Proof Safety Design, Suitable for Hazardous Environments
A key highlight of the AMP45 blower is its explosion-proof certification (certified to CSA standard C22.2 No. 113), making it applicable to hazardous locations with potential explosion risks (such as industrial sites with flammable gases, vapors or dust). The explosion-proof design eliminates safety hazards caused by spark generation during operation, providing a reliable guarantee for safe production in high-risk industries such as petrochemical, mining and paint manufacturing.
3. Durable & Corrosion-Resistant Material Selection
The blower housing and canister assembly are made of high-quality polyethylene material, which has excellent corrosion resistance, UV resistance and chemical resistance. It can maintain stable performance in harsh environments with chemical corrosion, ultraviolet radiation or humid conditions, avoiding component damage caused by environmental factors. In addition, the steel powder-coated grill enhances the structural durability while preventing foreign objects from entering the fan interior, further extending the service life.
4. User-Friendly Design for Easy Operation & Storage
The AMP45 blower is designed with user convenience in mind: it is equipped with an integrated carry handle on both the blower and canister housing, facilitating easy movement and transportation. The matching ducting (available in 15'/4.57m and 25'/7.62m lengths) adopts a retractable and non-collapsible design with a spring steel wire helix, which is easy to store and deploy. The ducting is also statically conductive, and the integrated grounding wire ensures safe use. Moreover, the blower is equipped with a 10'/3.05m SJOOW 18/3 AWG power cord and NEMA 5-20P plug, ensuring stable power supply and wide compatibility with power sockets.
5. Low Noise Operation & Stable Performance
Despite its high output efficiency, the AMP45 blower maintains low noise operation, with an average noise level of only 80.4 dB at 3 feet (about 0.9 meters), which is significantly lower than that of similar industrial blowers. This low-noise feature reduces the impact on the working environment and operator comfort. At the same time, the blower is equipped with a 1/3 HP single-phase motor (120V AC, 60 Hz) with a rated speed of 3250 RPM, ensuring stable and continuous operation under rated load, with low failure rate and high reliability.
6. Versatile Application Modes & Complete Configuration
The blower supports both suction and ventilation modes: the canister can be attached to the intake or output port to switch between the two modes according to actual needs, making it suitable for various scenarios such as local exhaust ventilation, confined space ventilation and dust collection. It is available in two configurations: blower-only or complete unit with ducting and storage canister, allowing users to choose the appropriate configuration according to specific application requirements, reducing additional procurement and matching costs.
Hot Tags: amp45 12v 80mm blower, China amp45 12v 80mm blower manufacturers, suppliers, factory, Medical Centrifugal Blower, high pressure blower for fixed, high pressure blower for intelligent, High Pressure Turbo Blower, high pressure blower for variable, Mini Small Radial Blower Fans

